[EN] SavoNARA: VBXE2RGB/SVIDEO - CXA 2075U(M)

Moderator: bbiernat

Post Reply
User avatar
pancio
Administrator
Posts: 78
Joined: 18 September 2013, 23:02 - Wed
Location: SILESIA

[EN] SavoNARA: VBXE2RGB/SVIDEO - CXA 2075U(M)

Post by pancio »

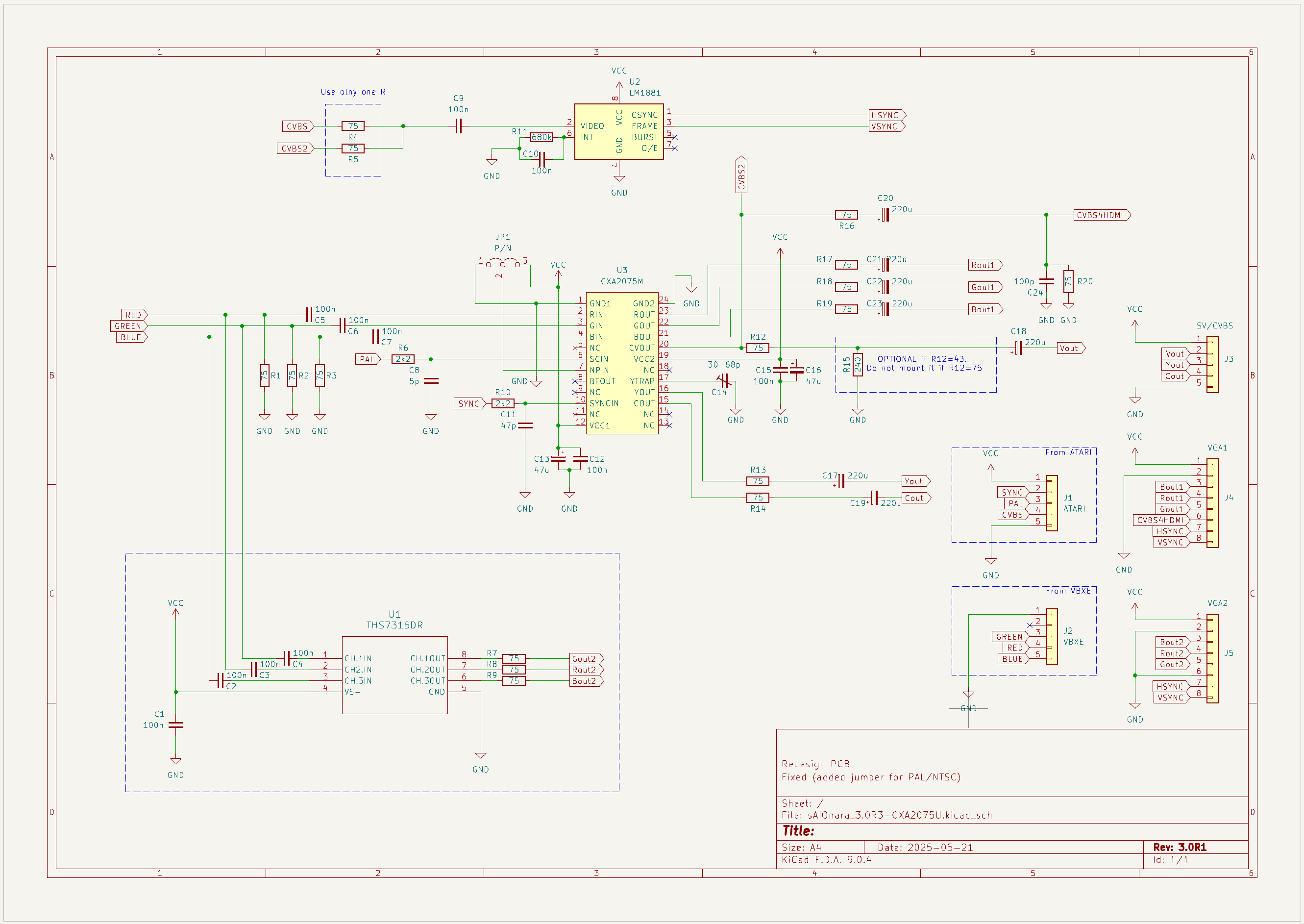
I'm presenting another variation of the SavoNARA – this time based on the CXA2075M chip, a very faithful replacement for the CXA1645M chip. This interface allows for direct connection of two RGB outputs, one S-Video, and one CVBS.

This chip is designed for VBXE users who don't want to drill holes in their case and want to enjoy VBXE effects using the original Atari video output (DIN5). Of course, it's also possible to output RGB signals (H and V separately) externally to the computer.

The THS7314 amplifier also buffers and separates the VBXE signals, allowing for simultaneous connection of two RGB receivers – for example, a monitor and an RGB-to-HDMI converter.

SavoNARA: VBXE2VGA/SVIDEO is the next project created as part of the activities of PTODT (Polskie Towarzystwo Ochrony Dziedzictwa Technicznego, which means the Polish Society for the Protection of Technical Heritage), founded for the protection of technical heritage, especially in the field of informatics and computers. I encourage you to visit the association's website and support our activities:

Polskie Towarzystwo Ochrony Dziedzictwa Technicznego/


License Information
The project was made as Free Hardware under the Creative Commons BY-NC-SA 4.0 license. This means that you can make it yourself, for private use. Commercial use is possible after obtaining the authors' consent.


The CXA2075M simplifies board complexity because it doesn't require as many passive components as the CXA1645M. This also allows for a smaller PCB footprint and easier component placement.

Schematic
The device structure is shown in the diagram below:
SavoNARA-2075U
SavoNARA-2075U
sAIOnara_3.0R3-CXA2075U.png (223.99 KiB) Viewed 583422 times
Board
sAIOnara_3.0R3-CXA2075U-front.png
sAIOnara_3.0R3-CXA2075U-front.png (319.16 KiB) Viewed 583422 times
sAIOnara_3.0R3-CXA2075U-back.png
sAIOnara_3.0R3-CXA2075U-back.png (227.01 KiB) Viewed 583422 times
A few pictures...
signal-2025-09-14-120222.jpeg
signal-2025-09-14-120222.jpeg (642.79 KiB) Viewed 583422 times
signal-2025-09-14-120222_002.jpeg
signal-2025-09-14-120222_002.jpeg (1.11 MiB) Viewed 583422 times
signal-2025-09-14-120222_003.jpeg
signal-2025-09-14-120222_003.jpeg (1.08 MiB) Viewed 583422 times
signal-2025-09-14-120222_004.jpeg
signal-2025-09-14-120222_004.jpeg (1.03 MiB) Viewed 583422 times
signal-2025-09-14-120222_005.jpeg
signal-2025-09-14-120222_005.jpeg (1.59 MiB) Viewed 583422 times
Attachments
sAIOnara_3.0R3-CXA2075U_BOM.csv.zip
(728 Bytes) Downloaded 94364 times
sAIOnara_3.0R3-CXA2075U.pdf
(198.32 KiB) Downloaded 85817 times
sAIOnara_3.0R3-CXA2075U.zip
Gerbers
(96.14 KiB) Downloaded 93995 times

Post Reply