Atari 65XE Schematic

Moderator: bbiernat

Post Reply
User avatar
pancio
Administrator
Posts: 78
Joined: 18 September 2013, 23:02 - Wed
Location: SILESIA

Atari 65XE Schematic

Post by pancio »

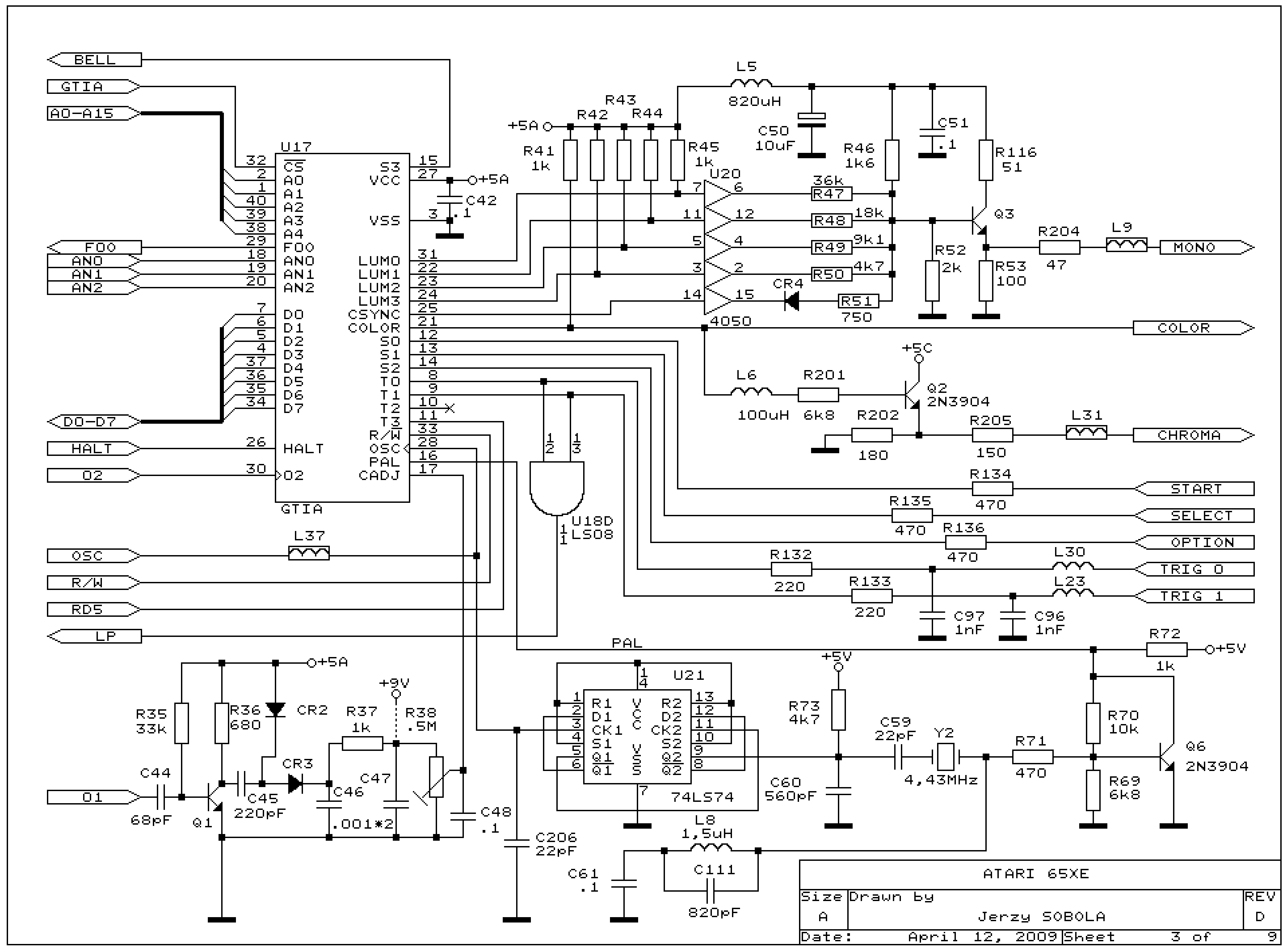
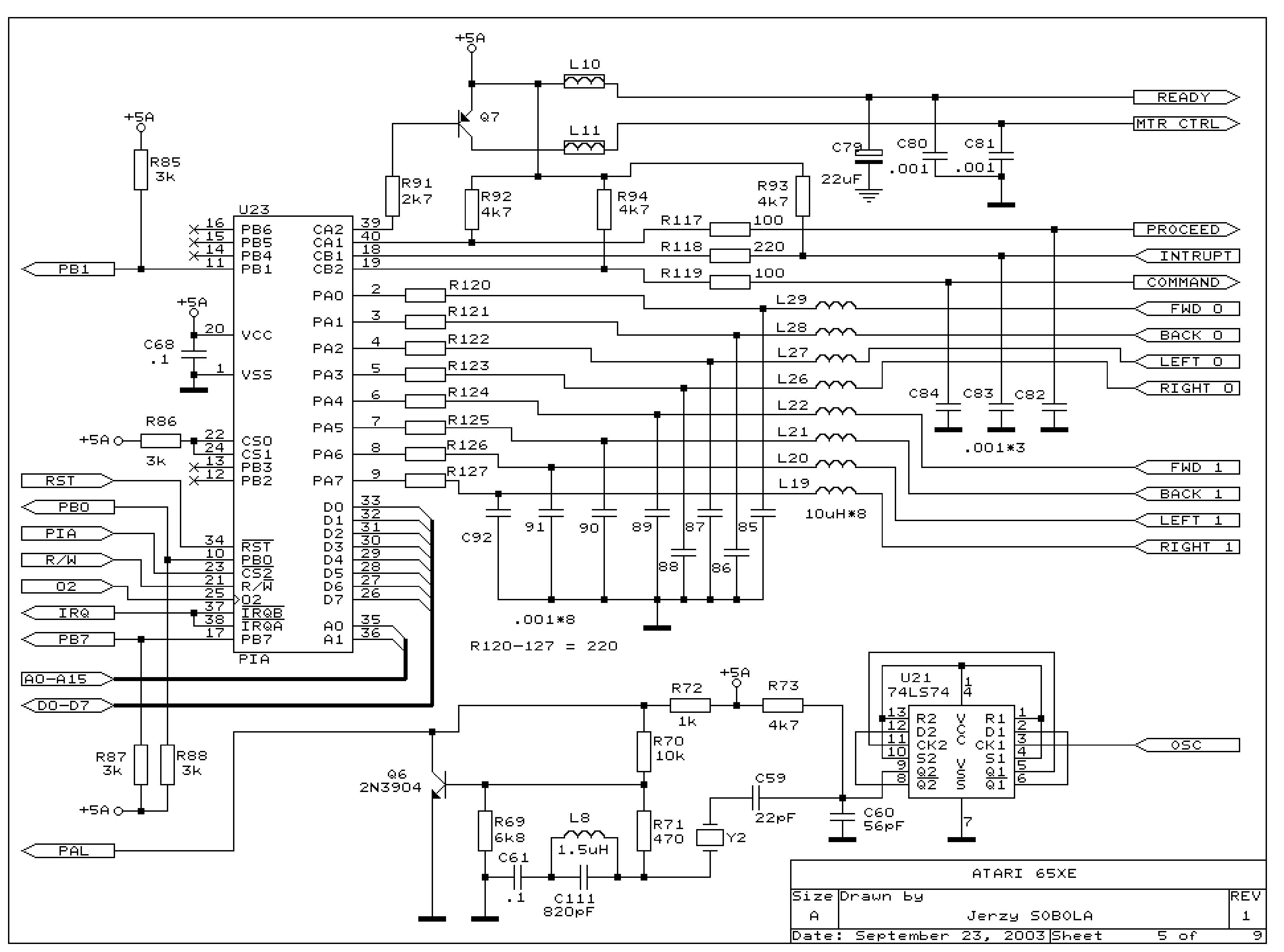
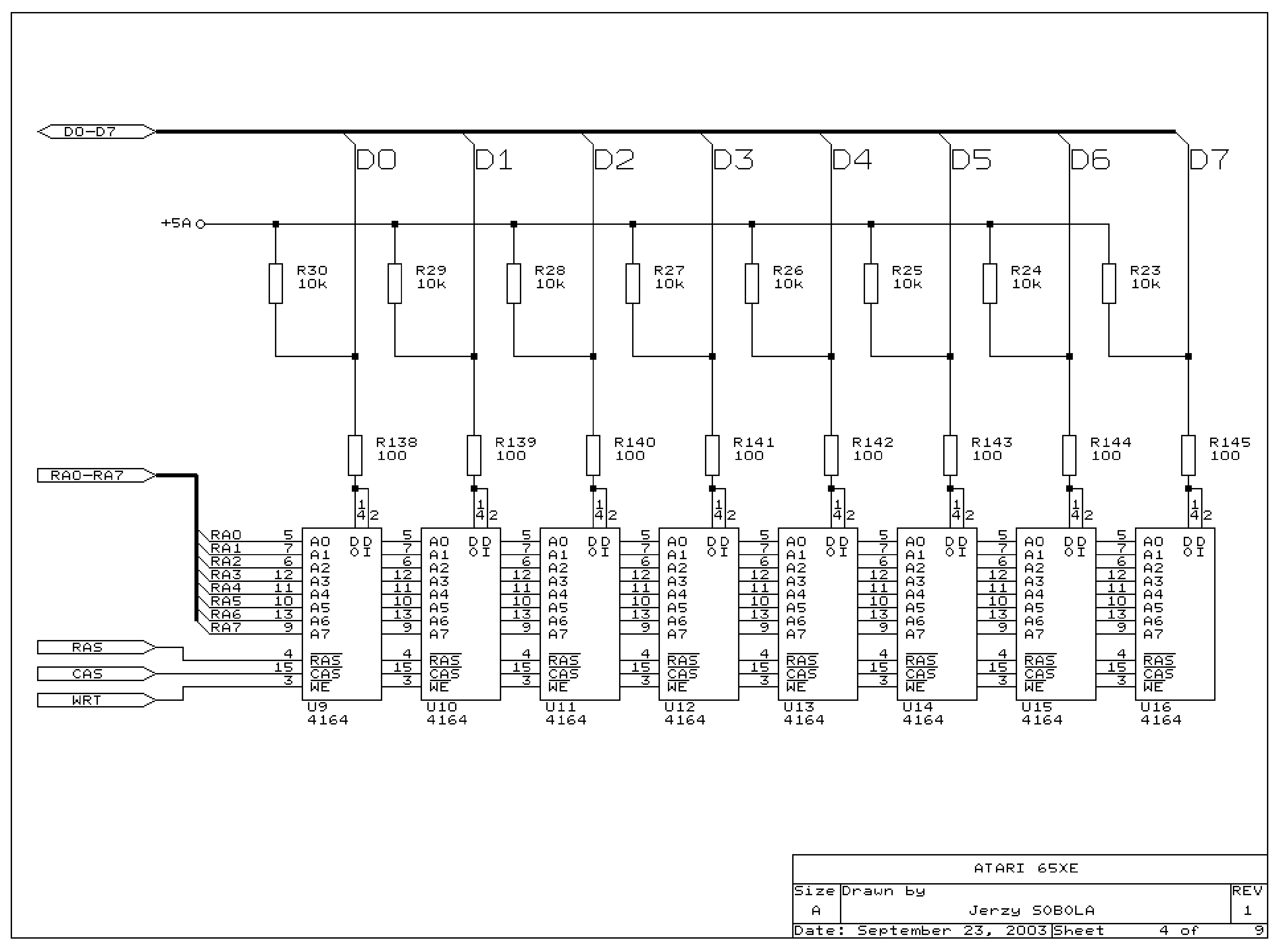
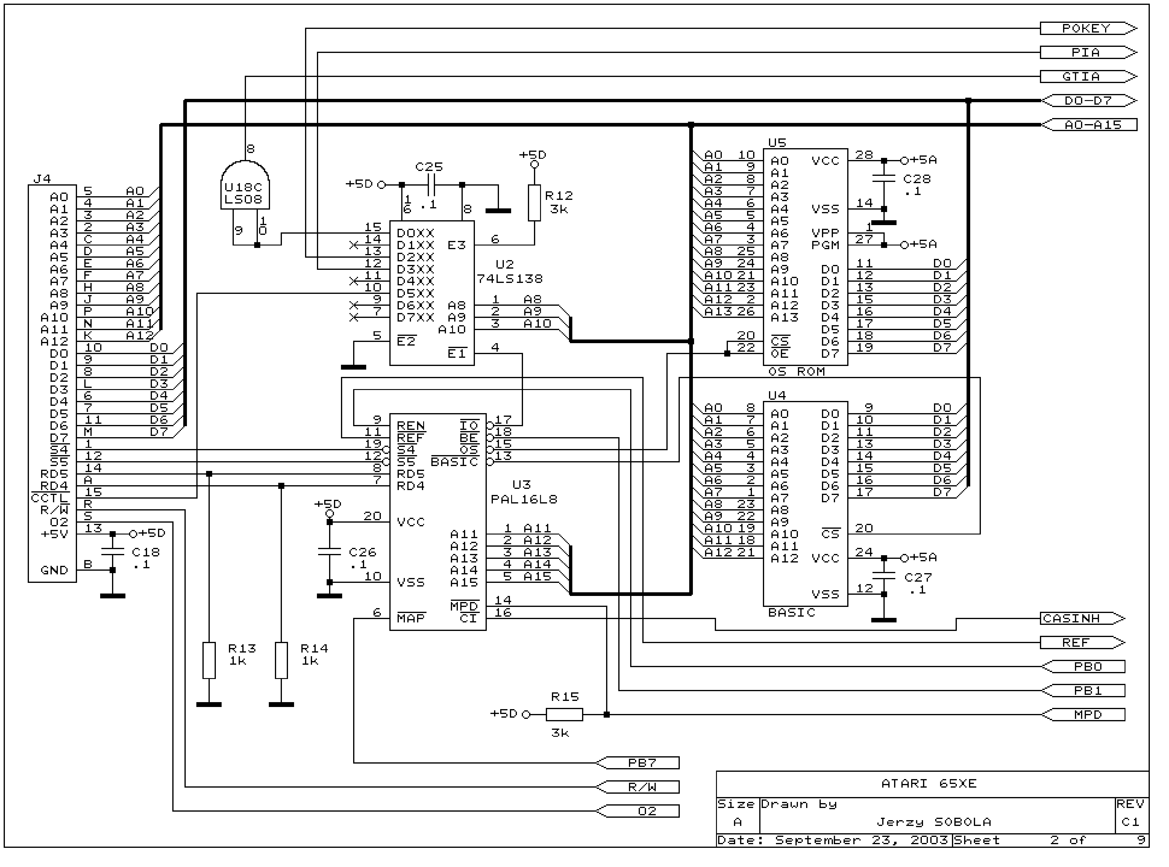
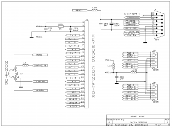
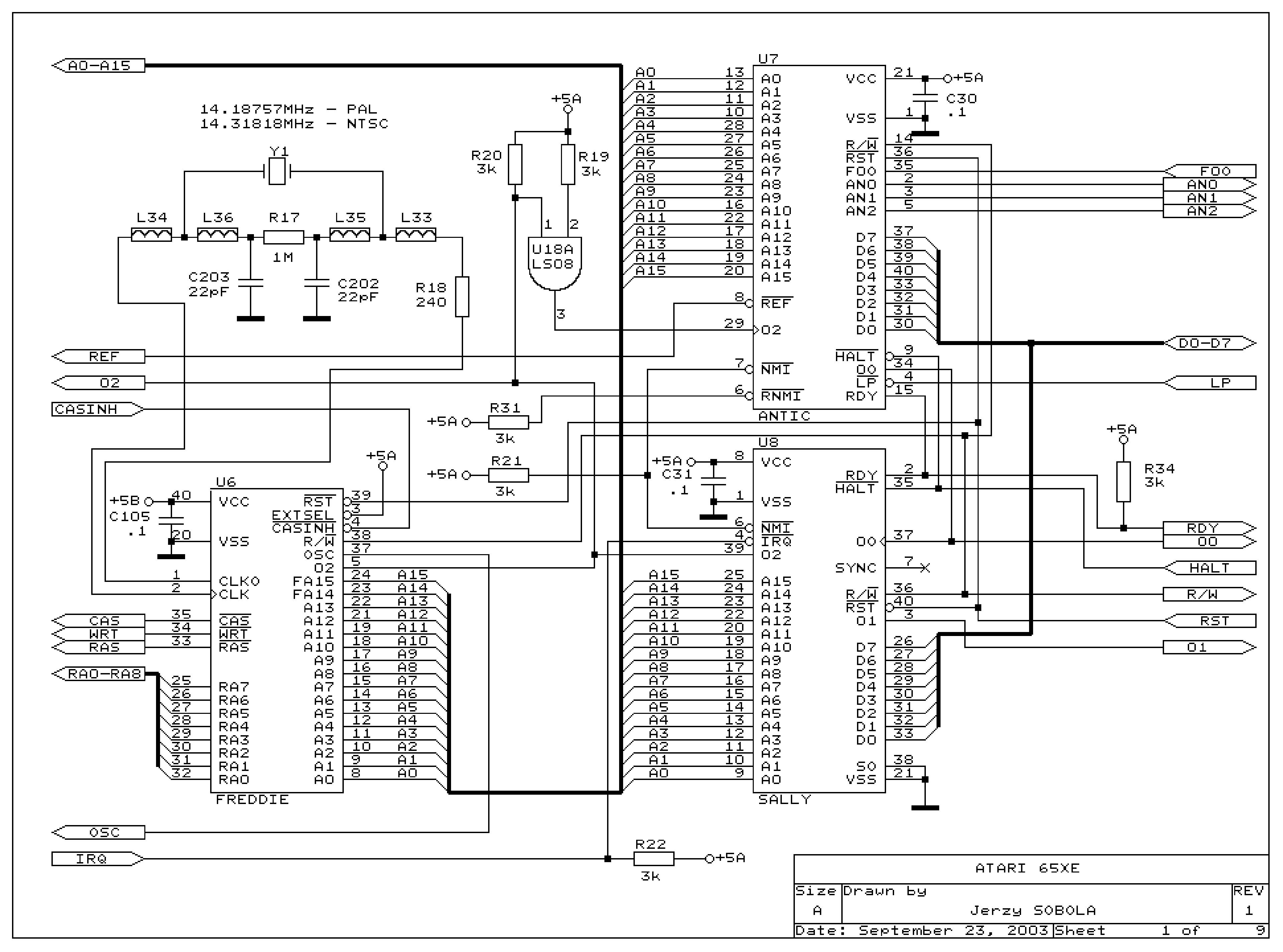
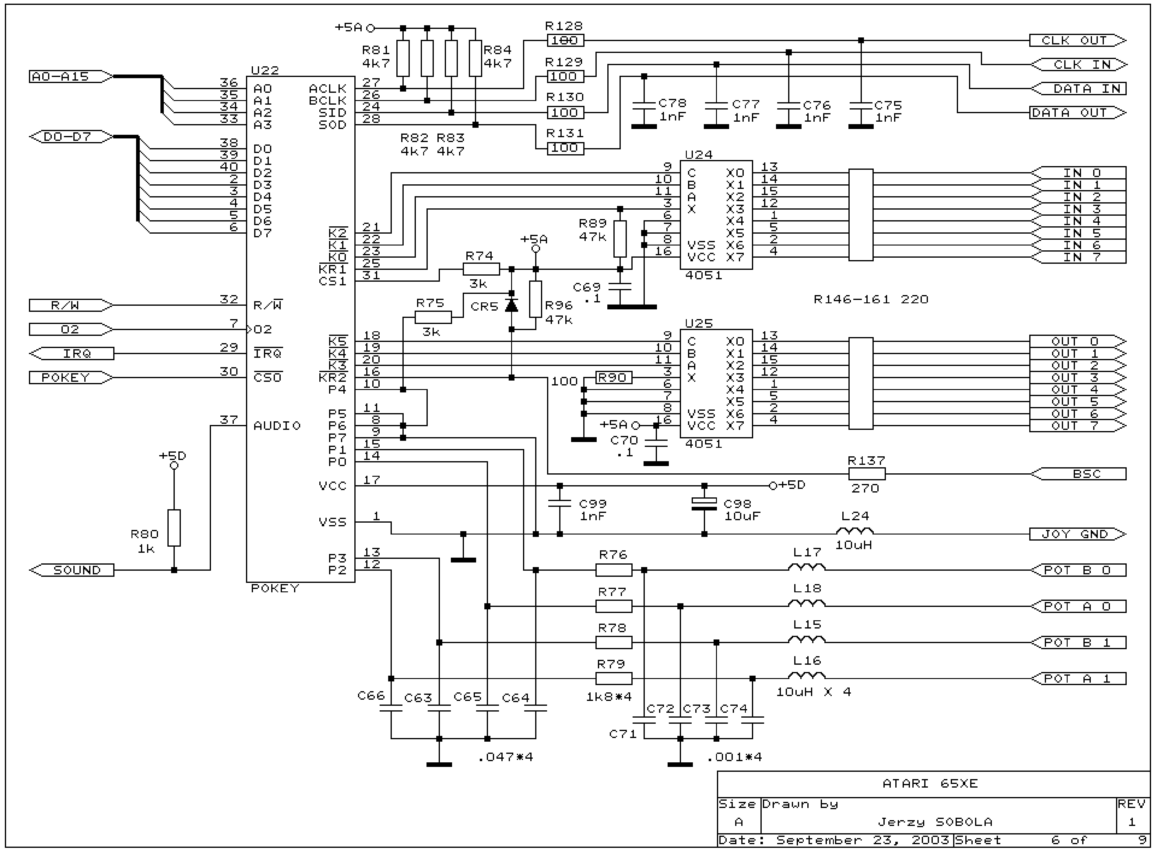
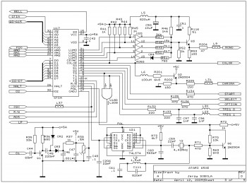
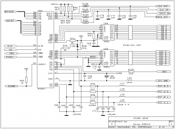
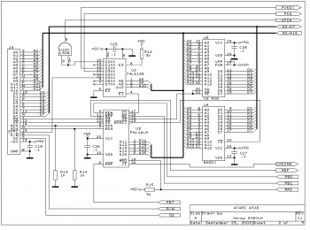
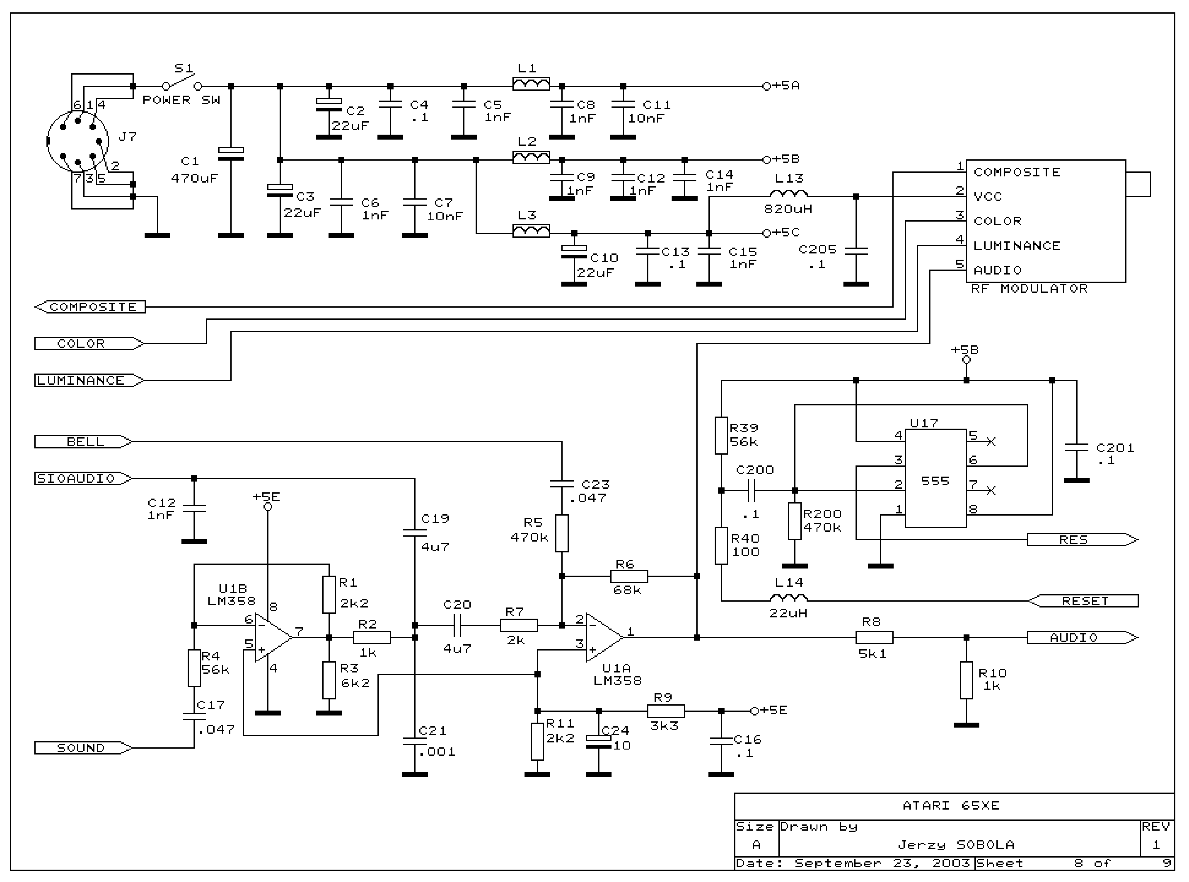
The Atari 65XE Schematics.
Author: Jerzy Sobola
65xe_01.png
65xe_02.png
65xe_03.png
65xe_04.png
65xe_05.png
65xe_06.png
65xe_06.png
65xe_07.png
65xe_08.png
65xe_09.png
Attachments
ATARI65XE-SCHEMATIC-errata.PDF
Errata according to PHI2_BUF sygnal
(2.21 MiB) Downloaded 20776 times
ATARI65XE-SCHEMATIC.PDF
(915.29 KiB) Downloaded 22878 times

Post Reply