[EN] SavoNARA: klaVO - Easy internal video mod for HDMI with audio stereo...

Moderator: bbiernat

Post Reply
User avatar
pancio
Administrator
Posts: 78
Joined: 18 September 2013, 23:02 - Wed
Location: SILESIA

[EN] SavoNARA: klaVO - Easy internal video mod for HDMI with audio stereo...

Post by pancio »

Hi!

Introduction
For as long as I can remember, the Atari had a very poor TV image through the RF output as well as through the monitor plug. It's even worse when we want to connect Atari to a newer TV that is only equipped with an HDMI input...

Important note
The description contains only part of the entire assembly and focuses on connecting the electronics. The mechanical part will be described once I have all the required components!

There are several interesting extensions on the market that improve image quality, but these are not cheap solutions and, in addition, they require an additional hole in the Atari housing for the D-SUB, SCART or DVI socket.

Market research
Atari is not the only computer that has problems connecting to newer TVs and monitors. So I concluded that it must exist for consoles such as PS1/PS2 or Wii or SNES. The common feature of all these devices is the way of transmitting the image to the TV... S-VIDEO! And since Atari also has two S-VIDEO component signals, such as Luminance (+synchronization) and Chrominance, the adapters dedicated to the above consoles should also fit Atari. Of course, I assumed that a modification would be necessary :-)
I bought a dozen or so different models of adapters, but most of them are based on Compisite signal processing, the use of which produces a barely satisfactory image. One of the purchased adapters turned out to be a hit!
bitfunxSV2HDMI.png
bitfunxSV2HDMI.png (305.32 KiB) Viewed 415632 times
https://www.aliexpress.com/item/1005006 ... pt=glo2pol
bitfunxSV2HDMI-box.jpeg
bitfunxSV2HDMI-box.jpeg (738.43 KiB) Viewed 415631 times
Prototyping
The adapter as in the photo below should be carefully disassembled, starting from the plastic cap near the HDMI socket. Just pry it off with a sharp tool from both sides.
Then we pry off the second cap (the one with the cable) and push it out, pushing the PCB inside the aluminum housing.
bitfunxSV2HDMI-pcb-front.jpeg
bitfunxSV2HDMI-pcb-front.jpeg (815.08 KiB) Viewed 415631 times
Now it's time to solder all the cables. Carefully remove the silicone glue from the cables and desolder all the cables one by one. Then clean the soldering holes and solder a set of wires approximately 20 cm long. These may be cables such as FDD tape.
bitfunxSV2HDMI-pcb-solder-cables.jpeg
bitfunxSV2HDMI-pcb-solder-cables.jpeg (763.84 KiB) Viewed 415631 times
Update.

Alternatively, you can leave the original wires after gently removing the insulation from the cables:
signal-2024-04-25-065853_002.jpeg
signal-2024-04-25-065853_002.jpeg (921.9 KiB) Viewed 414786 times
Great!
Now it's time to connect all the required cables to the Atari board. We need to connect all the wires as described:
bitfunxSV2HDMI-pcb-numbers.png
bitfunxSV2HDMI-pcb-numbers.png (6.09 MiB) Viewed 415630 times
signal-2024-04-25-065853_005.jpeg
signal-2024-04-25-065853_005.jpeg (768.96 KiB) Viewed 414786 times
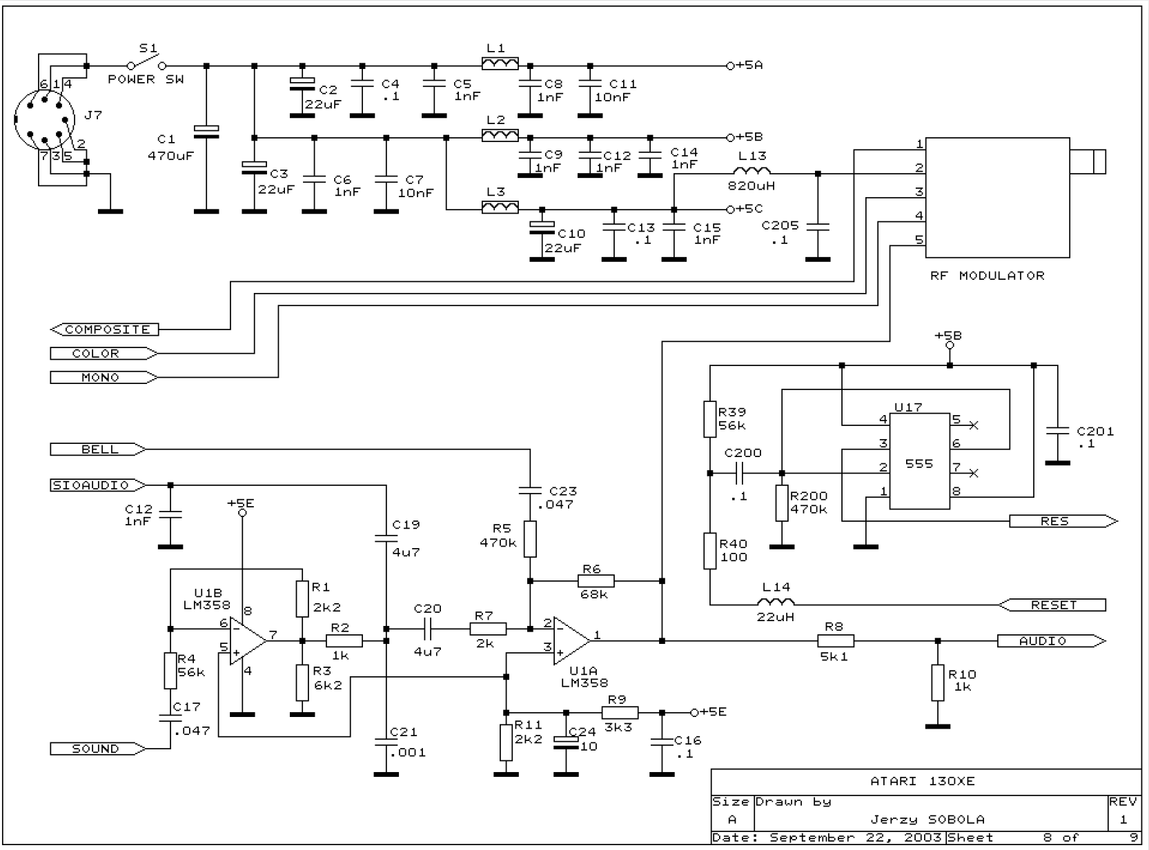
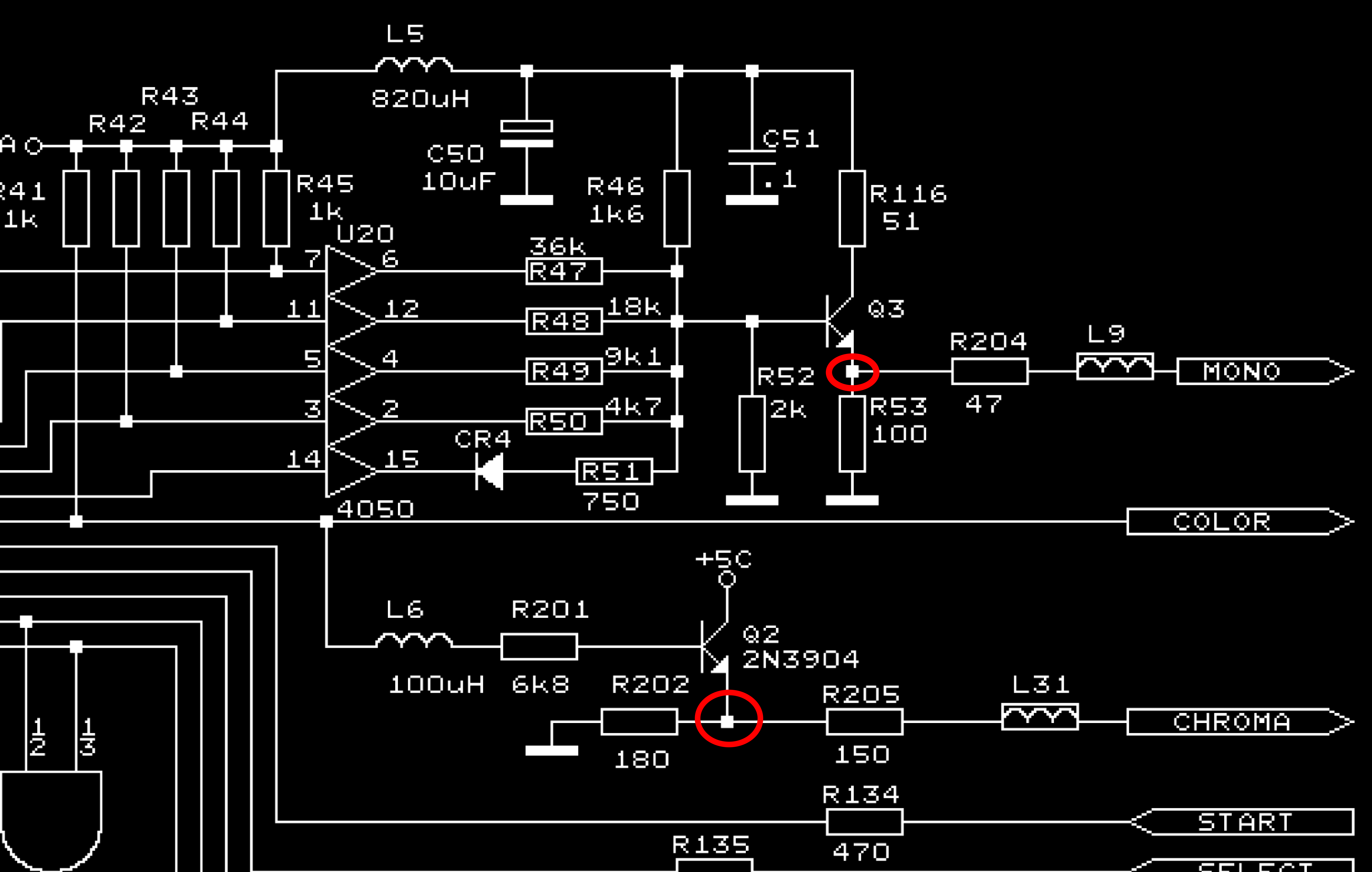
Atari 130xe:
1. ORANGE - CVBS (this one shouldn't be connected).
2. GREEN - Luminance (+synchronization) - connect to Q3 emitter.
3. BLUE - Chrominance - connect to Q2 emitter.
4. WHITE - Audio Left - connect to pin 5 modulator's pinheader
5. RED - Audio Right - as above or... if you have POKEY Stereo Mod - find Audio output pin on it.
6. YELLOW - GND - connect to ground.
7. PURPLE - VCC - connect to power e.g. pin 2 modulator's pinheader.
video_mod1.png
video_mod1.png (222.99 KiB) Viewed 415628 times
modulator130xe.png
modulator130xe.png (124.36 KiB) Viewed 415627 times
If you get an image that is too bright, connect the luminance through a 10ohm resistor. Similarly, if you have too much color - connect chrominance a through a 27ohm resistor. Resistor values can be selected experimentally... You may exchange resistors R26 and R27 on PCB.

Results
Well.. in my opinion.. impressive! TV55" with Black Lamp... amazing!

https://www.youtube.com/watch?v=HgKUBMmewjI
https://www.youtube.com/watch?v=RdjfBx3GhN0
Attachments
savooutside.png
savooutside.png (293.85 KiB) Viewed 415588 times
blacklampTV55.mp4
(9.5 MiB) Downloaded 62130 times
BlacklampTV55.jpeg
BlacklampTV55.jpeg (737.67 KiB) Viewed 415609 times
signal-2024-04-14-211741_004.jpeg
signal-2024-04-14-211741_004.jpeg (1.12 MiB) Viewed 415625 times
signal-2024-04-14-211741_005.jpeg
signal-2024-04-14-211741_005.jpeg (1.17 MiB) Viewed 415625 times
signal-2024-04-14-211741_006.jpeg
signal-2024-04-14-211741_006.jpeg (610.65 KiB) Viewed 415625 times
signal-2024-04-14-211741_007.jpeg
signal-2024-04-14-211741_007.jpeg (828.54 KiB) Viewed 415625 times
signal-2024-04-14-211741_008.jpeg
signal-2024-04-14-211741_008.jpeg (547.97 KiB) Viewed 415625 times
signal-2024-04-14-211741_009.jpeg
signal-2024-04-14-211741_009.jpeg (621.63 KiB) Viewed 415625 times
signal-2024-04-14-211741_010.jpeg
signal-2024-04-14-211741_010.jpeg (525.46 KiB) Viewed 415625 times
signal-2024-04-14-211741_011.jpeg
signal-2024-04-14-211741_011.jpeg (793.1 KiB) Viewed 415625 times
signal-2024-04-14-211741_012.jpeg
signal-2024-04-14-211741_012.jpeg (523.89 KiB) Viewed 415625 times
signal-2024-04-14-211741_013.jpeg
signal-2024-04-14-211741_013.jpeg (670.45 KiB) Viewed 415625 times

Post Reply